CT-CSA031
Item Model:CT-CSA031

Operating Force  OF(Max): 400g-cm

Release Force  RF(Min): 100g-cm

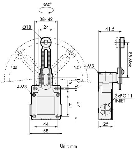
Pre-travel  PT(Max): 20˚

Tripping Position  TP (±10%): 22.5˚

Movement differential  MD(Max): 10˚

Over travel  OT(Min): 75˚

Total travel  TT(Min): 95˚

Rotary Indexing: 22.5˚

Product Description

‧ Solid metal cover with maximum ±95˚C amplitude

‧ Mechanical Life extends to 20 million times

‧ Stainless steel roller, tool steel and spring

‧ PG11 gland can be equipped